Facebook
Instagram
Pinterest
Youtube
Projects
3D Printing
Laser Cutting
Electronics Projects
Arduino Projects
Raspberry Pi Projects
Arduino
Arduino Projects
Arduino Tutorials
Raspberry Pi
Raspberry Pi Projects
Raspberry Pi Tutorials
Reviews
Search
The DIY Life
Tech & Electronics
The DIY Life
Tech & Electronics
Projects
3D Printing
Laser Cutting
Electronics Projects
Arduino Projects
Raspberry Pi Projects
Arduino
Arduino Projects
Arduino Tutorials
Raspberry Pi
Raspberry Pi Projects
Raspberry Pi Tutorials
Reviews
Go
Search
Get in Touch
Home
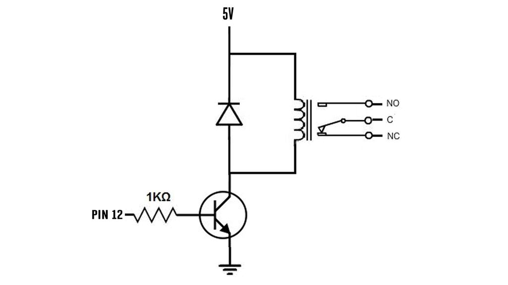
larger relay coil circuit
larger relay coil circuit
larger relay coil circuit